-
-
-
Tổng cộng:
-
Sản phẩm đã được thêm vào giỏ hàng
Số lượng:
Tổng tiền:
KM CHỈ CÒN 219k/ Cái, Hãy đặt hàng trên website để nhận được ưu đãi nhé!
Mach3 CNC USB là loại bo BOB dùng cổng USB để truyền dữ liệu từ máy tính xuống bo BOB.
Loại này có lợi là chúng ta chỉ cần dùng máy tính có cổng USB là có thể điều khiển máy CNC. Tuy nhiên loại này không được đánh giá cao khi dùng để chế tạo các máy trong sản xuất.
Nguồn: 5VDC, giao tiếp USB, điều khiển 4 trục, ngõ ra PWM
Chất lượng: Mới 100%, Có kèm theo 1 sợi cáp USB.
Link tải Phần mềm: Tải Xuống
Các bước cài đặt cơ bản như sau:
B1: Giải nén thư mục và cài đặt phần mềm Mach3.
B2: Copy toàn bộ thư mục Mach3 trong file xả nén vào thư mục Mach3 cài đặt trong máy.
B3: Cắm mạch vào máy tính qua cổng USB, không cần cài Driver.
B4: Mở phần mềm Mach3Mill và chọn Card RnR Motion. Nhấn Reset, điều khiển các trục X, Y, Z, A, nếu thấy đèn trạng thái trên mạch chớp tắt tương ứng là thành công.
Video tham khảo cách lắp đặt, cài đặt:

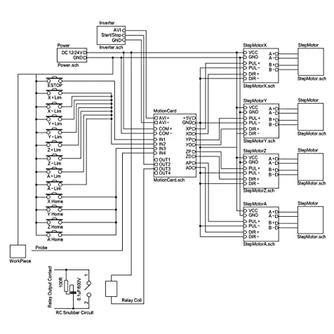
Sơ đồ kết nối điều khiển tốc độ spindle qua ngõ 0-10v (AVI )

Mô tả các chân biến tần ( hình bên trái )
FWD: Chân khởi động, một số biến tần có thể là S1 hoặc X1
DCM: Chân 0v, hay là chân đất chung COM
10V : Đầu ra điện áp 10V
AVI: đầu vào tương tự 0 đến 10V
ACM: Chân 0V của 10V
24 V: out 24 V
Mô tả chân của mạch mach3
AVI: Giao diện đầu ra analog, tín hiệu điều khiển tốc độ analog 0 đến 10V
ACM: tín hiệu tương tự 0V
24V: 24V được sử dụng để cấp nguồn cho mạch để có thể sử dụng chân IN và OUT cũng như ngõ ra AVI
DCM: chân 0V của 24V
IN1 ~ IN4: Thiết bị đầu cuối tín hiệu số, có thể được sử dụng để kết nối đầu vào tín hiệu như công tắc giới hạn và công tắc dừng khẩn cấp
OUT1 ~ OUT4: đầu ra tín hiệu số, có thể được sử dụng để điều khiển tín hiệu điều khiển rơle hoặc đầu ra
Khi các bạn lắp máy CNC dùng bo BOB Mach3 cần lưu ý những vấn đề sau:
1./ Chọn Bo BOB Mach3 có độ tin cậy cao, nhiều người đi trước đã từng dùng và cho đánh giá tốt.
2./ Chọn bộ nguồn cấp nguồn cấp cho bo BOB có độ ổn định cao, chống nhiễu tốt, VD: Omron, Meanwell, Cosel,..vv
3./ Lắp lọc nguồn cho Driver các trục động cơ và bộ nguồn chuyển đổi 220Vac sang 24Vdc, 5Vdc.
4./ Lắp cảm biến Limit, Home cho các trục động cơ để hạn chế việc chạy quá hành trình gây hư hại hệ thống cơ khí.
5./ Nên đấu nối ngõ và Alarm các trục động cơ về Bo BOB để kiểm soát tình trạng trục động cơ bị lỗi -> không di chuyển, Motor trục chính không quay làm gãy dao và hư phôi, hu hại kết cấu cơ khí.
6./ Nên chọn máy tính có cổng LPT để cài đặt phần mềm MACH3
7./ Hệ điều hành nên sử dụng là WindowXP.
8./ Đấu nối đầy đủ các dây nối đất cho các thiết bị trong tủ điều khiển.
9./ Các dây tín hiệu điều khiển dùng loại có lưới chống nhiễu, Đặc biệt là các dây tín hiệu xung, chiều.
10./ Nên dùng phần mềm mach3 có bản quyền để tránh bị lỗi phát sinh do phần mềm Mach3
11./ Lưu lại bản vẽ đấu nối sẽ giúp bạn sửa chữa, nâng cấp, dễ dàng và nhanh chóng.
Cách tính số xung/mm cài đặt trong MACH3 CNC
Ví dụ:
Với vitme:
Vitme bước 5 -> Hiểu là xoay 1 vòng thì chiều dài di chuyển sẽ là 5mm.
Vitme bước 10 -> Hiểu là xoay 1 vòng thì chiều dài di chuyển sẽ là 10mm.
Vitme bước 20 -> Hiểu là xoay 1 vòng thì chiều dài di chuyển sẽ là 20mm.
Với động cơ:
Ta có: Vitme bước 10, Số xung/ vòng là 1600 xung
Ta suy luận như sau: 1600 xung thì di chuyển 10mm
x xung di chuyển 1mm
Vitme bước 5, Số xung/ vòng là 1000 xung
Ta suy luận như sau: 1000 xung thì di chuyển 5mm
x xung di chuyển 1mm
Mình hy vọng với cách hiểu đơn giản này bạn có thể tính toán cho mọi driver và các loại vitme khác nhau khi cần nhập thông số cho phần mềm Mach3 CNC
Giao hàng toàn quốc
Tiếp tục mua hàngPhí vận chuyển: Tính lúc thanh toán
Thành tiền: